
سروو موتور 750w وات Mash مش ترمزدار 3000 دور rpm (دارای کابل و کانکتور)
توان خروجی
750 وات
سایز فلنج
80mm
ولتاژ ورودی
220ولت تک فاز
جریان مصرفی
4.5A
نوع انکودر
17 بیتی مطلق چند چرخشی (حافظه دار)
کابل
3.5 متری با سوکت
گشتاور
2.39n.m
نوع
ترمزدار
قطر شفت
19mm
حداکثر دور موتور
3000 دور بر دقیقه
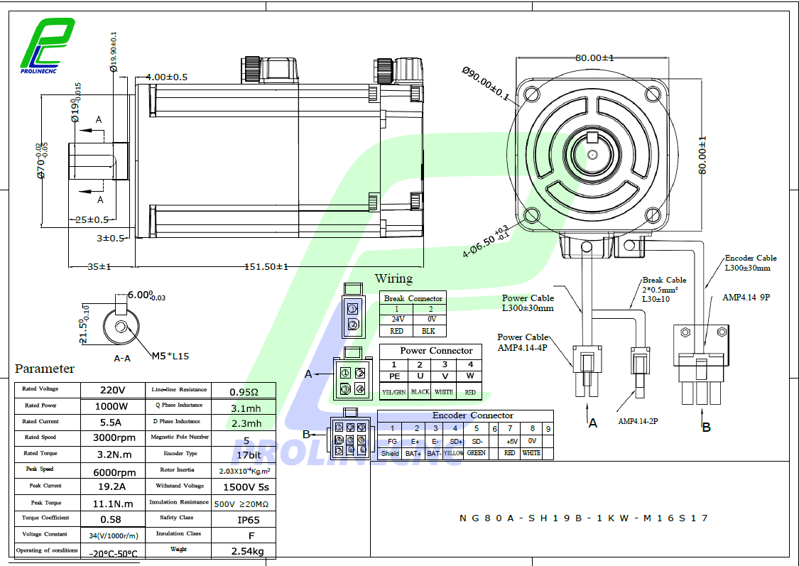
نقشه سروو موتور ۷۵۰ وات ترمزدار مش (MASH)

معرفی سروو موتور ۷۵۰ وات ترمزدار مش (MASH)
سروو موتور 750 وات ترمزدار یکی از دقیقترین و پرفروشترین مدلهای برند مش است که با توان ۷۵۰ وات و سرعت ۳۰۰۰rpm برای سیستمهایی طراحی شده که نیاز به توقف سریع و دقیق محور دارند.
این موتور با انکودر 17 بیتی ژاپنی، دقت فوقالعادهای در کنترل موقعیت، سرعت و گشتاور ارائه میدهد و جایگزین اقتصادی و قابلاعتماد برای سری دلتا A2-750W ترمزدار محسوب میشود.
مشخصات فنی سروو موتور ۷۵۰ وات
توان نامی 750 وات
ولتاژ کاری 220V AC تکفاز
جریان نامی 5.5A
گشتاور نامی 3.2 N·m
گشتاور لحظهای 11.1 N·m
سرعت نامی 3000 rpm
سرعت بیشینه 6000 rpm
تعداد قطبها 5
اینرسی روتور (Rotor Inertia) 2.03×10⁻⁴ kg·m² مناسب برای پاسخ سریع حرکتی
نوع انکودر 17-bit (131072 pulse/rev) ساخت ژاپن
ترمز الکترومغناطیسی دارد ولتاژ ترمز 24V DC
کلاس حفاظتی IP65 مقاوم در برابر گردوغبار و پاشش آب
کلاس عایق F تا دمای 155°C
وزن حدود 1.8 کیلوگرم
مقاومت فاز به فاز 0.95 Ω
اندوکتانس فاز به فاز 3.1 mH
ویژگیهای کلیدی سروو موتور ۷۵۰ وات
انکودر 17 بیتی ژاپنی با دقت بسیار بالا
ترمز الکترومغناطیسی داخلی (Holding Brake) برای نگهداشتن محور هنگام قطع برق
پاسخدهی سریع و گشتاور لحظهای قوی
طراحی فشرده، سبک و مناسب برای تابلوهای کوچک
IP65 برای استفاده در محیطهای صنعتی
عملکرد بیصدا و بدون لرزش
گارانتی یکساله تعویض
کاربردهای سروو موتور ۷۵۰ وات
سروو موتور ترمزدار ۷۵۰ وات مش برای دستگاههایی مناسب است که پس از قطع برق یا توقف، محور نباید آزادانه بچرخد:
محور Z در دستگاههای CNC (چوب، سنگ، فلز)
رباتهای عمودی و پیکاندپلیس
دستگاههای بستهبندی و پرکن
ماشینآلات تزریق پلاستیک
سیستمهای جابجایی و بالابر دقیق
مشخصات کلی سروو موتور ۷۵۰ وات
برند MASH
نوع ترمز الکترومغناطیسی (24VDC)
کشور سازنده چین (با انکودر ژاپنی)
گارانتی ۱۲ ماه تعویض
تطبیقپذیر با سری دلتا A2-750W دارد
کاربری پیشنهادی CNC، اتوماسیون، بستهبندی
معادل دلتا Delta A2-750W With Brake
سروو درایو 750 وات مش
درایو مخصوص سروو 750 وات دارای ورودی تکفاز 220 ولت، ورودی پالس، آنالوگ و قابلیت کنترل موقعیت، سرعت و گشتاور است.
ویژگیهای سروو درایو 750 وات مش
ورودی کنترل پالس (Pulse+Dir) و آنالوگ (±10V)
۸ ورودی دیجیتال قابل برنامهریزی
۶ خروجی دیجیتال قابل تنظیم
قابلیت اتصال مقاومت ترمز داخلی یا خارجی
تنظیم سریع پارامترها از طریق نرمافزار و پنل LCD
نصب و راهاندازی سروو درایو 750 وات
1. پیش از سیمکشی، از قطع بودن برق ورودی اطمینان حاصل کنید.
2. سیمهای U، V، W را به موتور متصل کنید.
3. سیم ترمز (Brake) را به منبع 24V DC وصل نمایید.
4. در صورت نیاز به مقاومت ترمز خارجی، اتصالات P و D را جدا کرده و مقاومت را بین P و C متصل کنید.
5. سیمکشی CN1 (سیگنال کنترل) را با کابل 24-26 AWG انجام دهید.
شرایط محیطی نصب سروو درایو 750 وات
دمای کاری -20°C تا +50°C
رطوبت نسبی ≤ 90% (بدون چگالش)
ارتفاع نصب ≤ 1000 متر
شرایط نصب روی سطح فلزی غیرقابل اشتعال
محیط بدون لرزش، گاز خورنده و گردوغبار زیاد
نصب سروو موتور 750 وات مش
از کوپلینگ الاستیک یا فلنج دقیق برای اتصال به محور استفاده کنید.
تراز مکانیکی را پیش از راهاندازی بررسی کنید.
هنگام نصب، از فشار جانبی یا ضربه روی شفت خودداری کنید.
جهت اطمینان، از پایه فلزی محکم و بدون لرزش استفاده نمایید.
جهت چرخش موتور 750 وات
جهت پیشفرض چرخش موتور ساعتگرد (CW) است.
برای معکوس کردن جهت، از پارامتر مربوطه در درایو (مثلاً PA14) استفاده کنید.
در صورت ارسال پالس معکوس، تغییر جهت بهصورت نرمافزاری انجام میشود.
مزایا و کاربرد سروو موتور 750 وات مش
عملکردی معادل دلتا A2-750W ترمزدار
ترمز الکترومغناطیسی قدرتمند برای ایمنی بیشتر
مناسب برای محورهای عمودی CNC و رباتیک
گارانتی یکساله تعویض واقعی
انکودر ژاپنی با دقت بالا
پشتیبانی فنی رایگان در تنظیم، نصب و پارامترگذاری
قیمت رقابتی نسبت به برندهای همرده
موجود در انبار با ارسال سریع و تضمینی
قیمت سروو موتور 750 وات ترمزدار مش (MASH 750W)
قیمت سروو موتور 750 وات ترمزدار مش (MASH) بسته به نوع انکودر، وجود ترمز (Brake) و مدل درایو همراه آن متفاوت است. این مدل با عملکردی مشابه دلتا سری A2 – 750W، گزینهای اقتصادی و باکیفیت برای پروژههای صنعتی است.
با توجه به نرخ ارز و نوسانات بازار، برای اطلاع از قیمت بهروز و موجودی دقیق، با واحد فروش پرولاین سی ان سی تماس بگیرید یا در سایت فروش آنلاین ثبت سفارش کنید.
تمامی سروو موتورها با گارانتی ۱۲ ماهه، انکودر ژاپنی و خدمات پشتیبانی فنی ارائه میشوند.
سروو موتور معادل دلتا و مدلهای مشابه
سروو موتورهای برند مش (MASH) از نظر عملکرد، کیفیت ساخت و مشخصات فنی، کاملاً قابل مقایسه با سری دلتا A2 هستند. این تطابق باعث شده بسیاری از مهندسان و سازندگان ماشینآلات صنعتی، این سرووها را به عنوان جایگزین اقتصادی و باکیفیت دلتا انتخاب کنند.
مدل سروو مش مدل معادل دلتا کاربرد پیشنهادی
سروو 400 وات مش (NG60-400W) دلتا A2 - 400W مناسب برای محورهای سبک در دستگاههای برش، حکاکی و پلاترهای صنعتی
سروو 750 وات مش (NG80-750W) دلتا A2 - 750W ایدهآل برای ماشینهای CNC سهمحوره، رباتهای سبک و سیستمهای پوزیشنینگ دقیق
سروو 1 کیلووات مش (NG80-1000W) دلتا A2 - 1KW مناسب برای دستگاههای تزریق، بستهبندی، خطوط مونتاژ و محورهای سرعت بالا
سروو 1.5 کیلووات مش (NG110-1500W) دلتا A2 - 1.5KW برای کاربردهای صنعتی سنگینتر مثل برش فلز، پانچ CNC و ماشینآلات اتوماسیون
سروو 2 کیلووات مش (NG130-2000W) دلتا A2 - 2KW مناسب برای سیستمهای دارای بار زیاد و گشتاور بالا در خطوط تولید
> مشاهده تمام مدلها و مشخصات فنی به صفحه سروو موتور مش MASH مراجعه کنید.
چرا از ما خرید کنید؟
ما فقط فروشنده نیستیم — مشاور فنی شما در انتخاب سروو موتور مناسب هستیم.
گارانتی معتبر ۱ ساله
تمامی سروو موتورها دارای گارانتی تعویض یکساله و خدمات پس از فروش واقعی هستند.
انکودر ژاپنی با دقت بالا
تمام مدلها از انکودر ۱۷ بیتی ساخت ژاپن استفاده میکنند که موقعیتگیری را تا ۱۳۱٬۰۷۲ پالس در هر دور تضمین میکند.
سازگاری کامل با کنترلرهای CNC
سازگار با کنترلرهای صنعتی مانند Radonix، Syntec، LNC، و دلتا.
پشتیبانی فنی و راهاندازی
تیم فنی ما راهاندازی کامل سروو درایو و تنظیم پارامترها را برای خریداران انجام میدهد.
موجودی دائمی و ارسال فوری
تمام توانها از ۰.۴ تا ۲ کیلووات در انبار موجود است و ارسال به سراسر کشور در همان روز انجام میشود.
پیشنهاد خرید هوشمند
اگر در حال انتخاب بین مدلهای مختلف سروو هستید:
برای دستگاههای سبک و دقیق → مدل 400 وات یا 750 وات را انتخاب کنید.
برای ماشینهای CNC یا محورهای قدرتیتر → مدل 1 کیلووات به بالا بهترین گزینه است.
برای کارهای سنگین صنعتی و تولیدی → مدل 1.5 یا 2 کیلووات بیشترین راندمان را دارد.
> تمام این مدلها از لحاظ فنی جایگزین مستقیم دلتا A2 هستند ولی با قیمت پایینتر و خدمات سریعتر در ایران عرضه میشوند.
کاتالوگ سروو موتور 750w وات ترمزدار 3000 دور rpm