

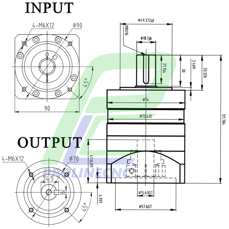
گیربکس 90 خورشیدی سروو موتور ریکون RECKON نسبت 1 به 10 مدل AL90 شفت ورودی 19 شفت خروجی 22 فلنج گرد مناسب سروو 750 وات 3000 دور
مدل
AL90
سایز
90
شفت خروجی
22mm
شفت ورودی
19mm
مناسب سروو
750 وات
لقی
>5 arcmin
نسبت
1 به 10
فلنج
گرد
کاتالوگ گیربکس 90 خورشیدی سروو موتور ریکون RECKON نسبت 1 به 10 مدل AL90 شفت ورودی 19 شفت خروجی 22 فلنج گرد مناسب سروو 750 وات 3000 دور

گیربکس خورشیدی (Planetary Gearbox)
گیربکس خورشیدی چیست؟
گیربکس خورشیدی یا Planetary Gearbox نوعی سیستم انتقال قدرت است که در آن یک چرخدنده مرکزی (خورشیدی) در مرکز قرار دارد و چندین چرخدنده سیارهای به دور آن میچرخند. این ساختار باعث میشود توان و گشتاور بالا در ابعاد کوچک منتقل شود. به همین دلیل، گیربکس خورشیدی در صنایع سنگین و ماشینآلات دقیق بسیار پرکاربرد است.
تفاوت گیربکس خورشیدی با گیربکس حلزونی
راندمان: گیربکس خورشیدی راندمانی بالاتر از ۹۵٪ دارد، در حالی که گیربکس حلزونی معمولاً زیر ۸۵٪ است.
ابعاد و وزن: با وجود انتقال گشتاور بالاتر، گیربکس خورشیدی جمعوجورتر و سبکتر است.
میزان لقی (Backlash): در گیربکس خورشیدی به حداقل میرسد و برای کاربردهای CNC و رباتیک ایدهآل است.
هزینه نگهداری: گیربکس حلزونی سادهتر و ارزانتر است، اما خورشیدی طول عمر و پایداری بیشتری دارد.
کاربرد گیربکس خورشیدی در صنعت
ماشینآلات CNC و تجهیزات اتوماسیون صنعتی
رباتیک و بازوهای صنعتی
خطوط تولید خودکار
صنایع معدنی و حفاری
صنایع بستهبندی و چاپ
سیستمهای انتقال مواد (کانوایر)
تجهیزات پزشکی و آزمایشگاهی پیشرفته
پارامترهای مهم در انتخاب گیربکس خورشیدی
نسبت تبدیل (Gear Ratio)
گشتاور خروجی (Output Torque)
سرعت ورودی و خروجی
میزان لقی (Backlash) گیربکس
بازدهی (Efficiency) گیربکس
سطح صدا و ارتعاش گیربکس
جنس و کیفیت دندههای گیربکس
مزایای گیربکس خورشیدی
راندمان بالا (بیش از ۹۵٪)
ابعاد کوچک و وزن کم نسبت به توان خروجی
قابلیت انتقال بارهای سنگین
عمر طولانی و استحکام بالا
مناسب برای حرکتهای دقیق و بدون لقی
معایب گیربکس خورشیدی
قیمت اولیه بالاتر نسبت به گیربکس حلزونی
نیاز به روانکاری تخصصیتر
حساسیت بیشتر به کیفیت نصب و هممحوری شفتها
نحوه عملکرد گیربکس خورشیدی
ورودی به چرخدنده خورشیدی منتقل میشود و چرخدندههای سیارهای به دور آن میچرخند. این حرکت به دنده رینگی (Ring Gear) منتقل شده و در نهایت خروجی با گشتاور بالا و سرعت کنترلشده تولید میشود.
نحوه انتخاب گیربکس خورشیدی
1. مشخص کردن گشتاور مورد نیاز
2. انتخاب نسبت تبدیل متناسب با کاربرد
3. توجه به فضای نصب و نوع شفت
4. بررسی میزان لقی و دقت مورد انتظار
5. انتخاب برند معتبر و سازگار با موتور
نکات مهم در خرید گیربکس خورشیدی
بررسی اصالت کالا و برند
توجه به خدمات پس از فروش و تامین قطعات یدکی
مقایسه راندمان و طول عمر در مدلهای مختلف
هماهنگی با موتور و شرایط کاری (دمای محیط، فشار کاری و ...)
قیمت گیربکس خورشیدی بر اساس فاکتورهایی مثل نسبت تبدیل، گشتاور خروجی، برند سازنده، جنس بدنه و دندهها، و کشور تولیدکننده تعیین میشود. به طور معمول، مدلهای اروپایی و ژاپنی گرانتر از نمونههای چینی هستند. برندهای مورد استفاده در ایران گیربکس ریکون Reckon، گیربکس واستون vastun، گیربکس مش mash، گیربکس ان جی ng، گیربکس HQM اچ کیو ام ، گیربکس سام SAM، گیربکس اپکس APEX، گیربکس رویست ROUIST ، گیربکس GMBH، گیربکس لیمینگ LIMING، گیربکس BREVINI بروینی، گیربکس سیبونی SIBONI، گیربکس آلفا ALPHA، گیربکس VGM، گیربکس SESAME سی سیم
مراقبت و نگهداری
تعویض منظم روغن گیربکس یا گریس روانکار گیربکس
بررسی دورهای لقی و صداهای غیرعادی
کنترل دمای کاری در شرایط بار سنگین
اطمینان از نصب صحیح و هممحوری دقیق با موتور